| 产品标题:LDZB6-10电流互感器 产品ID:VIB20100109133100734 品 牌:靖江互感器 所在地:中国 上海 价 格:面议 (大量采购价格面议) 库存状态:货期待查 更新日期:2025-9-11 19:15:43 咨询电话:(+86)021-51699285 咨询Q Q: 2695337323 |

|
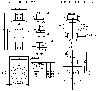
额定一次电流(A) |
准确级组合 |
额定输出(VA) |
额定短时热电流(Ith)(kA) |
额定动稳定电流(Idyn)(kA) | ||
|
0.2 |
0.5 |
10P15 | ||||
|
400 |
0.2/10P15
0.5/10P15
10P15/10P15 |
15 |
20 |
30 |
45 |
112.5 |
|
500 | ||||||
|
600 |
20 |
30 |
40 | |||
|
800 | ||||||
|
1000 |
63 |
130 | ||||
|
1200 | ||||||
|
1500 | ||||||

