| 产品标题:LFS(Q)-10型电流互感器 产品ID:VIB20100109145411734 品 牌:靖江互感器 所在地:中国 上海 价 格:面议 (大量采购价格面议) 库存状态:货期待查 更新日期:2025-11-7 8:01:56 咨询电话:(+86)021-51699285 咨询Q Q: 2695337323 |

|
型 号 |
额定一次电流(A) |
准确级组合 |
额定输出(VA) |
短时热电流(Ith)(kA) |
额定动稳定电流(Idyn)( kA) | ||
|
0.2 |
0.5 |
10P10 | |||||
|
LFS-10 |
5-200 |
0.2/0.2
0.5/0.5
0.2/0.5
0.2/10P10
0.5/10P10 |
10 |
10 |
15 |
80I1n |
200 I1n |
|
300 |
21 |
50 | |||||
|
400 |
24 |
60 | |||||
|
600 |
30 |
70 | |||||
|
800 |
40 |
75 | |||||
|
1000 | |||||||
|
LFSB-10 |
5-200 |
0.2/10P10
0.5/10P10 |
10 |
10 |
20 |
80I1n |
200 I1n |
|
300 |
21 |
50 | |||||
|
400 |
24 |
60 | |||||
|
600 |
30 |
70 | |||||
|
800 |
40 |
75 | |||||
|
1000 | |||||||
|
型号 |
额定一次电流(A) |
准确级组合 |
额定输出(VA) |
短时热电流(Ith)(kA) |
额定动稳定电流(Idyn)( kA) | |||
|
0.2 |
0.5 |
10P10 |
10P15 | |||||
|
LFSQ-10
LFSQ-10Q |
20-40 |
0.2/0.2
0.5/0.5
0.2/0.5
0.2/10P15
0.5/10P15
0.2/0.2/10P10
0.5/0.5/10P10 |
10 |
10 |
15 |
|
6.4 |
16 |
|
50,75 |
16 |
40 | ||||||
|
100-200 |
32 |
80 | ||||||
|
300 |
15 |
15 |
20 |
20 | ||||
|
400 |
20 |
20 |
30 |
64 |
130 | |||
|
600 |
30 |
30 |
40 | |||||
|
800 | ||||||||
|
1000 |
40 |
40 |
40 | |||||
|
1500 | ||||||||
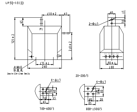
五、外形尺寸


