021-51699285
首页
关于我们
公司简介
关于品牌
荣誉资质
产品中心
熔断体
螺栓连接式熔断体
熔断器支持件/座
报警器
载熔件
熔断器组合电器
汽车熔断器
高压熔断器
断路器
跌落式熔断器
避雷器
交流低压配电柜
新闻中心
公司新闻
行业动态
联系我们
产品展示
LEZZBJH8-12W电子式电流互感器
首页
/
产品中心
/
电子式互感器
10kv电流互感器
35kV电流互感器
20kV电流互感器
35kV电压互感器
20kV电压互感器
组合互感器
10kV电压互感器
单相变压器
放电线圈
零序电流互感器
低压互感器
真空断路器
绝缘件系列
高压互感器
高压开关
电子式互感器
产品标题:LEZZBJH8-12W电子式电流互感器
产品ID:
VIB20100115160920734
品 牌:
靖江互感器
所在地:中国 上海
价 格:面议 (大量采购价格面议)
库存状态:
货期待查
更新日期:2025-11-7 7:37:53
咨询电话:(+86)021-51699285
咨询Q Q:
2695337323
产品简述
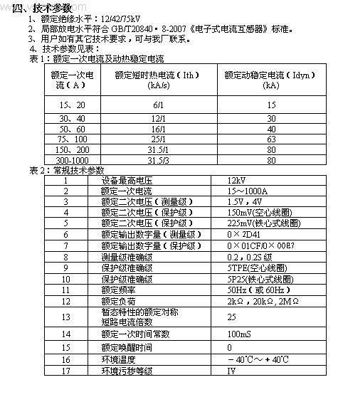
LEZZBJH8-12W电子式电流互感器
产品详情
产品型号
真空吸盘 ESS-40-SU
真空吸盘 ESS-40-SS
真空吸盘 ESS-40-SF
真空吸盘 ESS-40-SNA
真空吸盘 ESS-50-SN
真空吸盘 ESS-50-SU
真空吸盘 ESS-50-SS
真空吸盘 ESS-50-SF
真空吸盘 ESS-50-SNA
吸盘转接支架 ESH-HC-1-PK
吸盘转接支架 ESH-HC-2-QS
吸盘转接支架 ESH-HC-2-PK
吸盘转接支架 ESH-HC-3-QS
吸盘转接支架 ESH-HC-3-PK
前一页
LEZZBHJ8-35电子式电流互感器
后一页
LEZZBHJ8-35电子式电流互感器
产品中心
更多产品
MORE+
JDZ(X)(F)11-10B(BG)系列电压互感器
JDZ(J)-10(Q)系列电压互感器
JDJ-6(C)系列电压互感器
JDZ8-10C3电压互感器
LB6-110高压互感器
JDZX9-3G1系列电压互感器
JDZF8-10JG系列电压互感器
JSFV7-35GWY1电流互感器
气动接口组件 CPV18-EP-S-U-QS
电磁阀 MFH-5/2-D-1-FR-S-C
插座 MSSD-C-24-LED-M12 -SA
安装组件 BB-TLF-DGPL-25-3-B
电话:
021-51699285
传真:
021-51698592
手机:
13611905823
地址:上海市宝山区恒高路127弄6号楼2202室
首 页
关于我们
公司简介
品牌介绍
企业荣誉
产品中心
熔断体
螺栓连接式熔断体
熔断器支持件/座
报警器
载熔件
熔断器组合电器
汽车熔断器
高压熔断器
断路器
跌落式熔断器
避雷器
交流低压配电柜
新闻中心
公司新闻
行业动态
联系我们