021-51699285
首页
关于我们
公司简介
关于品牌
荣誉资质
产品中心
熔断体
螺栓连接式熔断体
熔断器支持件/座
报警器
载熔件
熔断器组合电器
汽车熔断器
高压熔断器
断路器
跌落式熔断器
避雷器
交流低压配电柜
新闻中心
公司新闻
行业动态
联系我们
产品展示
A1Y-Ha10L,液控单向阀
首页
/
产品中心
/
上海联合设计型
上海联合设计型
力士乐型
油研型
广研所及其它系列
泵系列
海门系列
液压附件系列
电磁铁系列
油缸系列
电磁铁、推动器系列
推动器系列
离合器系列
磁放大器系列
产品标题:A1Y-Ha10L,液控单向阀
产品ID:
VIB20100819165042734
品 牌:
液压元件
所在地:中国 上海
价 格:面议 (大量采购价格面议)
库存状态:
货期待查
更新日期:2025-6-14 5:15:44
咨询电话:(+86)021-51699285
咨询Q Q:
2695337323
产品简述
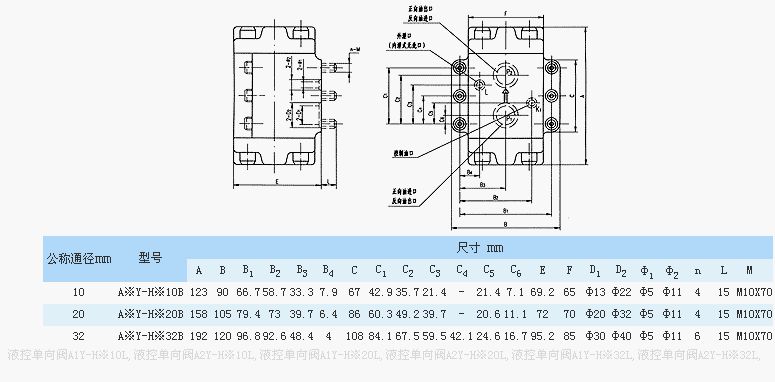
A1Y,A2Y 液控单向阀 用途
液控单向阀可作为单向闭锁和保压使用。它用于液压系统中,阻止油液反向流动,起到普通单向阀作用;但可利用控制压力油,通过控制活塞打开单向阀芯,使油液实现反向流动。液控单向阀可用在需要严格封闭的油路中,进行单向闭锁,起到保压作用。
产品详情
产品型号
MASTER UNIT D:FU-MU -AUS
MASTER UNIT D:FU-MU -ZA
课程 01 D:FU-KURS01 -DE
课程 01 D:FU-KURS01 -GB
课程 01 D:FU-KURS01 -F
课程 01 D:FU-KURS01 -E
双作用气缸 DSEU-25-50-P-A-MQ
双作用气缸 DSEU-25-80-P-A-MQ
双作用气缸 DSEU-25-100-P-A-MQ
双作用气缸 DSEU-25-125-P-A-MQ
双作用气缸 DSEU-25-160-P-A-MQ
双作用气缸 DSEU-25-200-P-A-MQ
双作用气缸 DSEU-25-250-P-A-MQ
双作用气缸 DSEU-25-320-P-A-MQ
前一页
24SZ-B32H-W,手动换向阀
后一页
24SZ-B32H-W,手动换向阀
产品中心
更多产品
MORE+
DFY-B20H1,液控单向阀
A1Y-Ha32F,液控单向阀
A1Y-Ha20L,液控单向阀
DFY-B32H1,液控单向阀
DFY-B32H2,液控单向阀
A1Y-Ha10B,液控单向阀
A2Y-Hb10L,液控单向阀
DFY-F32H2,液控单向阀
T型快插式接头 QST-CM-6
说明书 P.BE-SPC200-COM-IBS-DE
说明书 P.BE-SPC200-COM-IBS-EN
说明书 P.BE-SPC200-COM-PDP-DE
电话:
021-51699285
传真:
021-51698592
手机:
13611905823
地址:上海市宝山区恒高路127弄6号楼2202室
首 页
关于我们
公司简介
品牌介绍
企业荣誉
产品中心
熔断体
螺栓连接式熔断体
熔断器支持件/座
报警器
载熔件
熔断器组合电器
汽车熔断器
高压熔断器
断路器
跌落式熔断器
避雷器
交流低压配电柜
新闻中心
公司新闻
行业动态
联系我们